一、描述
本公司的BM4432I 模块采用的是一款高度集成的无线ISM频段收发芯片。极低的接收灵敏度(-121dBm/1200bps),再加上业界领先的+20dBm的输出功率保证扩大范围和提高链路性能。同时内置天线多样性和对跳频支持可以用于进一步扩大范围,提高性能。
BM4432I模块采用的是Silicon Lab Si4432的高性能收发芯片设计的一款纯射频模块,该模块体积小,性能高,SPI接口可方便客户可直接配置模块参数,灵活应用。
前同步信号检测,可配置数据包结构、温度感应和8位模数转换器、集成稳压器、跳频功能、上电复位功能等。
二、特点
☆ 频率范围:490MHz(433/868/915MHz频率需定制)
☆ 灵敏度高达 -121dBm/1200bps
☆ 最大输出功率:20dBm
☆ 80mA@+20dBm(发射)
☆ 数据传输率:1.2-250kbps
☆ FSK,GFSK和OOK调制模式
☆ 1.8-3.6 V供电
☆ 超低耗关机模式
☆ 数字接收信号强度指示(RSSI)
☆ 定时唤醒功能
☆ 天线自动匹配及双向开关控制
☆ 可配置数据包结构
☆ 前同步信号检测
☆ 64字节收发数据寄存器(FIFO)
☆ 低电能检测
☆ 温度感应和8位模数转换器
☆ 工作温度范围:-20 ~ +85°C
☆ 集成稳压器
☆ 跳频功能
☆ 上电复位功能
☆ 内置晶体调整功能
☆ 可方面客户贴片式和插针式应用
☆ 数字接收信号强度指示(RSSI)
☆ 64字节收发数据寄存器(FIFO)
三、应用
☆ 遥控器
☆ 远程抄表
☆ 家庭安防报警及远程无钥匙进入
☆ 工业控制
☆ 家庭自动化遥测
☆ 个人数据记录
☆ 玩具控制
☆ 传感器网络
☆ 轮胎气压监测
☆ 健康监测
☆ 无线PC外围设备
☆ 标签读写器
四、性能参数
参数 | 最小 | 典型 | 最大 | 单位 | 条件 | |
运行条件 | ||||||
工作电压范围 | 1.8 | 3.3 | 3.6 | V | ||
工作温度范围 | -20 | 85 | ℃ | |||
电流消耗 | ||||||
接收电流 | 18.1 | mA | ||||
发射电流 | 80 | mA | @20dBm | |||
体眠电流 | <1 | uA | ||||
射频参数 | ||||||
频率范围 | 482 | 490 | 498 | MHZ | @ 490MHZ | |
调制速率 | 1.2 | 250 | Kbps | FSK | ||
发射功率范围 | 0 | 20 | dBm | |||
接收灵敏度 | -121 | dBm | @data=1.2kbps,Fdev=30kHZ | |||
五、引脚定义
序号 | 管脚定义 | 说明 |
1 | GND | 接电源地 |
2 | GPIO0 | 内部已接模块的发射控制脚,发射状态为高电平,接收为低电平 |
3 | GPIO1 | 内部已接模块的接收控制脚,接收状态为高低电平,发射为低电平 |
4 | GPIO2 | 直接连芯片的GPIO2引脚 |
5 | VCC | 接电源正极3.3V |
6 | SDO | 0~VDD V数字输出,提供了对内部控制寄存器的串行回读功能 |
7 | SDI | 串行数据输入。0~VDD V数字输入。该引脚为4线串行数据串行数据流总线。 |
8 | SCLK | 串行时钟输入。0~VDD V数字输入。该引脚提供了4线串行数据时钟功能。 |
9 | NSEL | 串行接口选择输入引脚。0~VDD V数字输入。这个引脚为4线串行数据总线提供选择/使能功能,这个信号也用于表示突发读/写模式。 |
10 | NIRQ | 中断输出引脚 |
11 | SDN | 关闭输入引脚。0~VDD V数字输入。在除关机模式的所有模式SDN=0。当SDN=1时芯片将被彻底关闭并且寄存器的内容将丢失。 |
12 | GND | 接电源地 |
13 | ANT | 接50欧的同轴天线 |
14 | GND | 接电源地 |
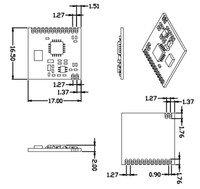
六、外形尺寸
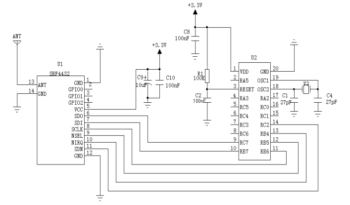
七、典型应用电路

八、产品技术指标:
型号:BM4432I
调制方式:GFSK
接口类型:SPI接口射频模块
工作频率:490MMHZ(433M/315M/868M/915M需定制)
发射功率:0-100mW
接收灵敏度:-121dBm@1200bps
发射电流:≤80mA
接收电流:≤18mA
通信速率:1.2K-250Kbps用户通过MCU编程控制
工作电源:直流+1.8-3.6V
工作温度:-20℃~85℃
工作湿度:10%~90%相对湿度,无冷凝
外形尺寸:裸板16.5mm x 17mm x 3mm
九、声明
本公司保留未经通知随时更新本产品使用手册的最终解释权和修改权!
本公司保留不发布通知而对该产品和服务随时进行修正、更改、补充、改进和其它变动的权利。用户敬请在购买产品之前获取最新的相关信息并核实该信息是最近的和完整的。所有产品在订单确认后将遵从北京博坤盛泰科技有限公司的销售条款和条例进行销售。北京博坤盛泰科技有限公司保证产品性能在销售时符合技术指标,测试和其它质量控制符合产品质量保证。
备注:
本手册的修改权、更新权及最终解释权均属本公司所有,其它任何公司及个人(自然人)无权使用、更改、传播本手册中的详细条款或专属图片及本手册涉及的核心理念进行商业活动,如本公司发现有违反或侵害本公司利益者,本公司有权向相关司法机构提起诉讼的权利。
十、联系方式
以上说明资料及模块使用中有任何问题,请接洽。
北京博坤盛泰科技有限公司
http://www.45208d.cn